Каталог товаров
- Контроллеры
-
Светодиодные ленты
-
COB сплошное свечение
- X1088 24V 12mm 22 W/m
- X320 24V 8mm 8 W/m
- X320 48V 8mm 8 W/m
- X360 5V 8mm 5 W/m
- X378 24V 8mm 11 W/m
- X400 12V 8mm 9 W/m
- X400 24V 3mm 4.8 W/m
- X400 24V 5mm 7.2 W/m
- X420 24V 4mm 10 W/m
- X480 24V 10mm 10 W/m FreeCut
- X480 24V 4mm 4 W/m
- X480 24V 6mm 6 W/m
- X480 24V 8mm 8 W/m
- X480 48V 8mm 10 W/m
- X504 12V 5mm 6.5 W/m
- X528 12V 8mm 11 W/m
- X544 24V 8mm 11 W/m
- DOT световая точка
-
Аксессуары для подключения
- Аксессуары для подключения 230V
- Аксессуары для подключения COB
- Аксессуары для подключения сауна и бассейн
- Герметичные коннекторы
- Заглушки, клипсы
- Клеммы WAGO
- Коннекторы 2pin для лент 10 мм
- Коннекторы 2pin для лент 5 мм
- Коннекторы 2pin для лент 8 мм
- Коннекторы 3-5pin для лент RGB/W, MIX
- Коннекторы с разъемами
-
Высокая цветопередача CRI98
- A120 24V 8mm 14.4 W/m
- A120 24V 8mm 9.6 W/m
- A140 SUN 24V 10mm 20 W/m
- A168 24V 10mm 17 W/m
- A196 24V 15mm 20 W/m
- A240 24V 15mm 19.2 W/m
- A252 24V 19mm 27 W/m
- A280 24V 36mm 30 W/m
- A320 24V 15mm 24 W/m
- A350 24V 58mm 36 W/m
- A60 12V 8mm 4.8 W/m
- A60 12V 8mm 7.2 W/m
- A60 24V 8mm 4.8 W/m
- A60 24V 8mm 7.2 W/m
- A98 24V 8mm 10 W/m
- B120 24V 15mm 29 W/m
- B60 24V 10mm 14.4 W/m
- Высокая эффективность 200 lm/W
- Высокая эффективность свыше 150 lm/W
-
Герметичные IP65-IP68 до 10 W/m
- A120 12V 9.6 W/m IP65-IP68
- A120 24V 9.6 W/m IP65-IP68
- A128 24V 9.6 W/m IP66
- A160 24V 10 W/m IP66
- A280 24V 10 W/m IP65-IP66
- A60 12V 4.8 W/m IP65-IP68
- A60 12V 7.2 W/m IP65
- A60 24V 4.8 W/m IP65-IP68
- A60 24V 7.2 W/m IP65
- A80 24V 6 W/m IP67
- A98 24V 10 W/m IP65
- B30 12V 7.2 W/m IP65
- X360 5V 5 W/m IP65
- X400 24V 7.2 W/m IP67
- X480 24V 10 W/m IP65-IP66
- Герметичные IP65-IP68 свыше 10 W/m
- Динамические эффекты DMX
-
Динамические эффекты SPI
- SPI B30 PX3 12V RGB IP20-IP66
- SPI B60 PX1 12V RGB BPT IP20-IP66
- SPI B60 PX1 12V White BPT
- SPI B60 PX1 5V RGB BPT IP20-IP66
- SPI B60 PX3 12V RGB BPT IP20-IP68
- SPI B60 PX3 12V RGB IP20-IP68
- SPI B60 PX6 24V RGB BPT IP20-IP68
- SPI B60 PX6 24V White BPT
- SPI B96 PX1 12V RGB BPT
- SPI BA120 PX6 24V RGBW BPT IP20-IP66
- SPI F140 PX7 24V RGB BPT
- SPI F72 PX6 24V RGB IP20-IP66
- SPI X378 PX63 24V White BPT IP20-IP67
- Для сауны и бассейна
- Линейки SL
- Малый шаг резки
- Питание от сети 230V
- Специализированные
- Стабилизированные IC
- Узкие 3.5-5 мм
-
Универсальные 8-10 мм до 10 W/m
- A120 12V 8mm 9.6 W/m
- A120 24V 8mm 9.6 W/m
- A120 48V 10mm 9.6 W/m
- A120 TWIST 24V 10mm 10 W/m
- A126 24V 10mm 8 W/m
- A128 24V 8mm 9.6 W/m
- A144 24V 10mm 7.7 W/m
- A280 24V 8mm 10 W/m
- A30 24V 10mm 2.9 W/m
- A60 12V 8mm 4.8 W/m
- A60 12V 8mm 7.2 W/m
- A60 24V 8mm 4.8 W/m
- A60 24V 8mm 7.2 W/m
- A80 24V 8mm 6 W/m
- A90 24V 10mm 4.8 W/m
- A98 24V 8mm 10 W/m
- B30 12V 10mm 7.2 W/m
- C30 12V 12mm 7.2 W/m
- C72 24V 10mm 7.2 W/m
- M120 24V 8mm 6.5 W/m
- M300 24V 8mm 8 W/m
- M700 24V 10mm 10 W/m
-
Универсальные 8-10 мм свыше 10 W/m
- A120 12V 8mm 14.4 W/m
- A120 24V 8mm 14.4 W/m
- A160 24V 8mm 12 W/m
- A168 24V 10mm 17 W/m
- A180 24V 10mm 12 W/m
- A180 24V 8mm 14.4 W/m
- A192 24V 10mm 17.6 W/m
- A200 24V 10mm 20 W/m
- A240 24V 10mm 19.2 W/m
- A240 24V 10mm 22 W/m
- A252 24V 10mm 11 W/m
- B60 12V 10mm 14.4 W/m
- B60 24V 10mm 14.4 W/m
- B80 24V 10mm 11 W/m
- B96 24V 10mm 23 W/m
- C112 24V 10mm 19.2 W/m
- C126 24V 10mm 14.4 W/m
- C180 24V 10mm 19.2 W/m
- C60 24V 12mm 27 W/m
- C64 24V 10mm 14.4 W/m
- M120 24V 8mm 14 W/m
- M300 24V 10mm 21.6 W/m
- M700 24V 10mm 20 W/m
-
Управление тоном MIX, CDW
- A120 MIX 12V 8mm 9.6 W/m
- A168 Dim-to-Warm 24V 14.4 W/m
- A168 MIX SWITCH 24V 21 W/m
- A240 MIX 24V 15mm 19.2 W/m IP20-IP65
- A240 MIX 4 24V 10mm 20 W/m
- B60 MIX 12V 12mm 14.4 W/m IP20-IP65
- COB MIX 24V 10mm 15-23 W/m IP20-IP67
- M140 CDW 24V 4mm 4.8 W/m
- M240 CDW 24V 4-8mm 9.6 W/m
- X600 CDW 24V 5mm 7.5 W/m
- серия MIX 24V 8-10mm 9.6-23 W/m
-
Управление цветом RGB и тоном RGBW-WW
- A120 RGB 24V 8mm 12 W/m IP20-IP67
- B144 RGBW 24V 19mm 32 W/m
- B60 RGB 24V 10mm 14.4 W/m IP20-IP68
- B60 RGBW 24V 10mm 14.4 W/m IP20-IP65
- B60 RGBW 24V 12mm 19.2 W/m IP20-IP67
- BA180 RGBW-MIX 24V 15mm 28.8 W/m
- G120 RGB 24V 8mm 11 W/m
- X768 RGBW 24V 12mm 15 W/m
- X840 RGB 24V 10mm 16 W/m IP20-IP67
- серия IC RGBW 48V 12mm 15 W/m
- серия RGB 12V 10mm 7-15 W/m IP20-IP68
- серия RGB 24V 10mm 7-21 W/m IP20-IP67
- серия RGB 24V 12mm 18-22 W/m
- серия RGB 24V 15-19mm 29-34 W/m
- серия RGB 24V 5mm 6-8 W/m
- серия RGB 36V 15mm 29 W/m
- серия RGBW-MIX 24V 12mm 20 W/m
-
Широкие 15-85 мм
- A140 24V 20mm 20-22 W/m
- A196 24V 15mm 20 W/m
- A240 24V 15mm 19.2 W/m
- A252 24V 19mm 27 W/m
- A280 24V 15mm 20 W/m
- A280 24V 20mm 20 W/m с отверстием
- A280 24V 34mm 25 W/m
- A280 24V 36mm 30 W/m
- A320 24V 15mm 24 W/m
- A350 24V 58mm 36 W/m
- A420 24V 52mm 30 W/m с отверстием
- A420 24V 59mm 30 W/m с отверстием
- A560 24V 85mm 40 W/m
- B120 24V 15mm 29 W/m
- B144 24V 19mm 34.4 W/m
-
COB сплошное свечение
-
Светодиодный декор
- Архивные
-
Гибкий неон [ARL]
- Аксессуары для AURORA
- Аксессуары для MOONLIGHT
- Аксессуары для NEON
- Образцы неона
- Серия AURORA 24V [mono]
- Серия MOONLIGHT 24V [MIX]
- Серия MOONLIGHT 24V [RGB, RGBW]
- Серия MOONLIGHT 24V [SPI, DMX512]
- Серия MOONLIGHT ROUND 24V [круглый]
- Серия MOONLIGHT SIDE 24V [mono]
- Серия MOONLIGHT TOP 24V [mono]
- Серия NEON 230V [mono]
- Серия NEON 230V [RGB]
- Серия NEON 24V [mono]
- Серия NEON 24V [RGB]
- Серия RTW 24V сауна [IP68]
-
Декоративные гирлянды [ARD]
- Аксессуары
- Бахрома 230V [FLASH]
- Бахрома 230V [mono]
- Бахрома 230V [PULSE]
- Бахрома 230V [RGB]
- Водопады 230V [WATERFALL]
- Занавесы 230V [FLASH]
- Занавесы 230V [mono]
- Занавесы 230V [RGB]
- Нити 12V, 24V [SPI, DMX]
- Нити 230V [FLASH]
- Нити 230V [mono]
- Нити 230V [PULSE]
- Нити 230V [RGB, RGB-SYNC]
- Сети 230V [mono]
- Сети 230V [RGB]
- Тающие сосульки 230V [mono]
- Тающие сосульки 230V [RGB]
- Шарики 230V [mono]
- Шарики 230V [RGB]
- Дюралайт [ARD]
- Модули светодиодные
- Модули управляемые
- Светодиодные фигуры [ARD]
- Наружное освещение
-
Источники питания
- AC/DC диммируемые источники напряжения
- AC/DC диммируемые источники тока
- AC/DC источники напряжения 12V
-
AC/DC источники напряжения 24V
- Standart LINEAR [IP66, 3 года]
- Supreme FLAT [IP20, 5 лет]
- Supreme LINEAR [IP20, 5 лет]
- в защ. кожухе с PFC [IP20, металл]
- в защитном кожухе [IP20, металл]
- герметичные [IP67, металл]
- герметичные [IP67, пластик]
- герметичные с PFC [IP67, металл]
- герметичные с PFC [IP67, пластик]
- компактные [IP20, пластик]
- на DIN-рейку [IP20]
- сетевые адаптеры
- тонкие [IP20, металл, пластик]
- AC/DC источники напряжения 36V
- AC/DC источники напряжения 48V
- AC/DC источники напряжения 5V
-
AC/DC источники тока [для мощных светодиодов]
- AC/DC [регулируемый ток]
- AC/DC [ток 1050 mA]
- AC/DC [ток 1400 mA]
- AC/DC [ток 1750 mA]
- AC/DC [ток 2100-2400 mA]
- AC/DC [ток 2800-5200 mA]
- AC/DC [ток 300-350mA]
- AC/DC [ток 500-600mA]
- AC/DC [ток 700 mA]
- AC/DC [ток 80-250mA]
- AC/DC Linear [65-300V, регулируемый ток]
- AC/DC бескорпусные IP00 [ток 80-350мА]
- Герметичные [IP44, пластик]
- Герметичные [IP65-67, металл]
- Герметичные [IP65-67, пластик]
- AC/DC регулируемые источники напряжения
- DC/DC источники питания
- Аварийные табло и комплектующие
- Источники аварийного питания
- Источники питания для Крайнего Севера
- Комплектующие для монтажа
- Специализированные источники питания
- Комплектующие
- Архив
Подписка на новости компании
Подпишитесь на рассылку и получайте новости о новых разработках контроллеров и акциях.
Коллекции
Контроллеры для дорожных знаков
Данная коллекция содержит подборку контроллеров управления применимых в светодиодных дорожных знаках и прочих конструкциях
Белт лайт и все для него
Данная коллекция содержит подборку белт лайта, контроллеров управления и всех аксессуаров для него.
Дюралайт и все для него
В данной коллекции представлены шнуры дюралайт, контроллеры управления и аксессуары к ним.
Статьи
Светодиодные технологии и дизайн
Тема светового дизайна весьма интересна и перспективна
Как подобрать контроллер для аптечного креста
Аптечные кресты, как и другие световые рекламные конструкции, нуждаются в динамике.
Подключение пиксельных светодиодов на 5 В
Подключение пиксельных светодиодов на 5 Вольт к контроллерам серии iMLed
- Главная страница
- •
- Каталог товаров
- •
- Контроллеры
- •
- Светодиодные контроллеры 5-24В
- •
- RGB
- •
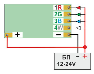
- Контроллер iMLed4(RGBW)mini_плата
























В корзину
Рассчитать доставку

Сравнение
В избранное

